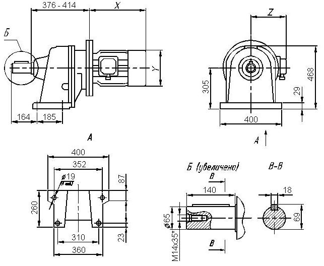
Размеры цилиндрического мотор-редуктора 7МЦ2 - 150.


Лапное исполнение.
Все размеры даны в мм.
Размеры электродвигателей Вы можете найти здесь.